Harting introduces push-on, push-off hardware that saves time when connecting and disconnecting D-Sub connectors.
Featured
Design World presents the 2025 LEAP Awards Winners: Connectivity
In its eighth year, Design World’s LEAP Awards showcase the best engineering innovations across several design categories. This wouldn’t be possible without the commitment and support of the engineering community. The editorial team assembles OEM design engineers and academics each year to create an independent judging panel. Below is their selection for this year’s LEAP […]
What connectors and interconnects are used in pacemakers and ICDs?
Pacemakers and implantable cardioverter defibrillators (ICDs) are small, battery-powered devices implanted under the skin to manage abnormal heart rhythms. Pacemakers deliver low-energy electrical impulses to treat bradycardia, while ICDs monitor life-threatening arrhythmias and deliver controlled, high-energy shocks. Despite their functional differences, both devices rely on specialized connectors and interconnects to ensure safe, long-term performance. This […]
Second sources mitigate supply issues
Samtec now second-sources its Si-Fly HD co-packaged and near-chip systems through a licensing agreement with Molex. It’s not the first time the two companies have been second sources. Having a second source for critical components can save the day. That’s even more important today given supply-chain disruptions of raw materials. For basic devices such as […]
Surge protection needs of automotive PoC systems
For automotive Power over Coax (PoC) systems, robust surge protection is required to safeguard sensitive electronics from a variety of damaging voltage transients present in the vehicle environment. The protection system must address hazards originating from the vehicle’s battery, electrostatic discharge (ESD) events, and other potential electrical faults. Robust surge protection is needed to protect […]
Diagnostic and monitoring techniques for PoC systems
Power over Coax (PoC) systems, which deliver both power and data over a single coaxial cable, require specialized diagnostic and monitoring techniques. Faults can occur in the cable or within the specialized hardware that injects and extracts power and data. Some PoC protocols, such as the gigabit multimedia serial link (GMSL) and flat panel display […]
Power over coax fundamentals for automotive applications
Power over coax (PoC) works by transmitting both data and power over a single coaxial cable, reducing wiring, weight, and complexity for in-vehicle systems like cameras and high-definition displays. PoC can be crucial for meeting fuel efficiency standards and supporting the growing number of cameras and increasing display sizes and resolutions in modern vehicles. Cabling […]
Beyond the datasheet: how digital tools are reshaping connector engineering
While connectors are essential components of nearly every electronic application, they can be easily overlooked by design teams as they focus their initial prototyping efforts on the critical functionality provided by processors, controllers, and other semiconductors. What’s more, for many engineers, connector design and implementation is often outside, or at best adjacent, to their core […]
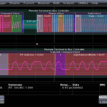
MIL-STD-1553B still alive and well: part 2
This final part continues the look at MIL-STD-1553B with an overview of formats and protocols, as well as available hardware and development/debug tools. Formats and protocol Q: What is the basic signal format described by the standard? A: A Manchester code is used to present both clock and data on the same wire pair and […]
MIL-STD-1553B alive and well: part 1
For engineers who are not involved in military/aerospace designs or similar systems requiring extreme reliability, ruggedness, and redundancy, the MIL-STD-1553B connectivity standard may be an unknown or just a vague recollection. Perhaps they came across the standard many years ago, and if they did, it must be obsolete by now, right? Yet that’s not the […]









